○秋田市準用河川管理施設等の構造の技術的基準を定める条例
平成25年3月21日
条例第21号
目次
第1章 総則(第1条・第2条)
第2章 堤防(第3条―第10条)
第3章 床止め(第11条―第14条)
第4章 堰(第15条―第18条)
第5章 水門および樋門(第19条―第25条)
第6章 揚水機場および排水機場(第26条―第29条)
第7章 橋(第30条―第35条)
第8章 伏せ越し(第36条―第40条)
第9章 雑則(第41条―第43条)
附則
第1章 総則
(趣旨)
第1条 この条例は、河川法(昭和39年法律第167号。以下「法」という。)第100条第1項において準用する法第13条第2項の規定に基づき、準用河川(法第100条第1項の準用河川をいう。以下「河川」という。)に係る河川管理施設又は法第26条第1項の許可を受けて設置される工作物(以下「許可工作物」という。)のうち、堤防その他の主要なものの構造について河川管理上必要とされる一般的技術的基準を定めるものとする。
第2章 堤防
(適用の範囲)
第3条 この章の規定は、流水が河川外に流出することを防止するために設ける堤防について適用する。
(構造の原則)
第4条 堤防は、護岸、水制その他これらに類する施設と一体として、計画高水位以下の水位の流水の通常の作用に対して安全な構造とするものとする。
(材質および構造)
第5条 堤防は、盛土により築造するものとする。ただし、土地利用の状況その他の特別の事情によりやむを得ないと認められる場合においては、その全部もしくは主要な部分がコンクリート、鋼矢板もしくはこれらに準ずるものによる構造のものとし、又はコンクリート構造もしくはこれに準ずる構造の胸壁を有するものとすることができる。
(高さ)
第6条 堤防の高さは、計画高水位に0.6メートルを加えた値以上とするものとする。ただし、堤防に隣接する堤内の土地の地盤高(以下「堤内地盤高」という。)が計画高水位より高く、かつ、地形の状況等により治水上の支障がないと認められる区間にあっては、この限りでない。
2 計画高水位が堤内地盤高より高く、かつ、その差が0.6メートル未満の区間における堤防の高さは、計画高水流量が1秒間につき50立方メートル未満であり、かつ、堤防の天端幅が2.5メートル以上である場合は、計画高水位に0.3メートルを加えた値以上とすることができる。
3 胸壁を有する堤防の胸壁を除いた部分の高さは、計画高水位以上とするものとする。
| 計画高水流量 | 天端幅 | 
| 1秒間につき50立方メートル未満 | 2メートル | 
| 1秒間につき50立方メートル以上100立方メートル未満 | 2.5メートル | 
(盛土による堤防の法勾配等)
第8条 盛土による堤防(胸壁の部分および護岸で保護される部分を除く。次項において同じ。)の法勾配は、堤防の高さと堤内地盤高との差が0.6メートル未満である区間を除き、50パーセント以下とするものとする。
2 盛土による堤防の法面は、芝等によって覆うものとする。
(護岸)
第9条 流水の作用から堤防を保護するため必要がある場合においては、堤防の表法面に護岸を設けるものとする。
(管理用通路)
第10条 堤防には、次に定めるところにより、河川の管理のための通路(以下「管理用通路」という。)を設けるものとする。ただし、管理用通路に代わるべき適当な通路がある場合、堤防の全部もしくは主要な部分がコンクリート、鋼矢板もしくはこれらに準ずるものによる構造のものである場合又は堤防の高さと堤内地盤高との差が0.6メートル未満の区間である場合においては、この限りでない。
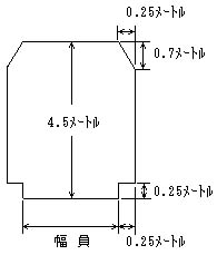
(1) 幅員は3メートル以上で堤防の天端幅以下の適切な値とし、建築限界は次の図に示すところによること。

(2) 前号に規定するもののほか、川幅が10メートル未満の区間である場合においては、幅員は2.5メートル以上とし、建築限界は次の図に示すところによること。

第3章 床止め
(構造の原則)
第11条 床止めは、計画高水位以下の水位の流水の作用に対して安全な構造とするものとする。
2 床止めは、付近の河岸および河川管理施設の構造に著しい支障を及ぼさない構造とするものとする。
(護床工および高水敷保護工)
第12条 床止めを設ける場合において、これに接続する河床又は高水敷の洗掘を防止するため必要があるときは、適当な護床工又は高水敷保護工を設けるものとする。
(護岸)
第13条 床止めを設ける場合においては、流水の変化に伴う河岸又は堤防の洗掘を防止するため、次に定めるところにより、護岸を設けるものとする。ただし、地質の状況等により河岸又は堤防の洗掘のおそれがない場合その他治水上の支障がないと認められる場合は、この限りでない。
(1) 床止めに接する河岸又は堤防の護岸は、上流側は床止めの上流端から10メートルの地点又は護床工の上流端から5メートルの地点のうちいずれか上流側の地点から、下流側は水叩きの下流端から15メートルの地点又は護床工の下流端から5メートルの地点のうちいずれか下流側の地点までの区間以上の区間に設けること。
(2) 前号に掲げるもののほか、河岸又は堤防の護岸は、湾曲部であることその他河川の状況等により特に必要と認められる区間に設けること。
(3) 河岸(低水路の河岸を除く。以下この号において同じ。)又は堤防の護岸の高さは、計画高水位以上とすること。ただし、床止めの設置に伴い流水が著しく変化することとなる区間にあっては、河岸又は堤防の高さとすること。
(4) 低水路の河岸の護岸の高さは、低水路の河岸の高さとすること。
(魚道)
第14条 床止めを設ける場合において、魚類の遡上等を妨げないようにするため必要があるときは、次に定めるところにより、魚道を設けるものとする。
(1) 床止めの直上流部および直下流部における通常予想される水位変動に対して魚類の遡上等に支障のないものとすること。
(2) 床止めに接続する河床の状況、魚道の流量、魚道において対象とする魚種等を適切に考慮したものとすること。
第4章 堰
(構造の原則)
第15条 堰は、計画高水位以下の水位の流水の作用に対して安全な構造とするものとする。
2 堰は、計画高水位以下の水位の洪水の流下を妨げず、付近の河岸および河川管理施設の構造に著しい支障を及ぼさず、ならびに堰に接続する河床および高水敷の洗掘の防止について適切に配慮された構造とするものとする。
(洪水を分流させる堰に関する特例)
第18条 第16条の規定は、洪水を分流させる堰については、適用しない。
第5章 水門および樋門
(構造の原則)
第19条 水門および樋門は、計画高水位以下の水位の流水の作用に対して安全な構造とするものとする。
2 水門および樋門は、計画高水位以下の水位の洪水の流下を妨げず、付近の河岸および河川管理施設の構造に著しい支障を及ぼさず、ならびに水門又は樋門に接続する河床および高水敷の洗掘の防止について適切に配慮された構造とするものとする。
(構造)
第20条 水門および樋門(ゲートおよび管理施設を除く。)は、鉄筋コンクリート構造又はこれに準ずる構造とするものとする。
2 樋門は、堆積土砂等の排除に支障のない構造とするものとする。
(断面形)
第21条 河川を横断して設ける水門および樋門の流水を流下させる部分の断面形は、計画高水流量を勘案して定めるものとする。
2 前項の規定は、河川以外の水路が河川に合流する箇所において当該水路を横断して設ける水門および樋門について準用する。
(ゲート等の構造)
第22条 水門および樋門のゲートは、確実に開閉し、かつ、必要な水密性を有する構造とするものとする。
2 水門および樋門のゲートは、鋼構造又はこれに準ずる構造とするものとする。
3 水門および樋門のゲートの開閉装置は、ゲートの開閉を確実に行うことができる構造とするものとする。
(水門のゲートの高さ)
第23条 水門のカーテンウォールの上端の高さ又はカーテンウォールを有しない水門のゲートの閉鎖時における上端の高さは、水門に接続する堤防(計画横断形が定められている場合において、計画堤防の高さが現状の堤防の高さより低く、かつ、治水上の支障がないと認められるとき、又は計画堤防の高さが現状の堤防の高さより高いときは、計画堤防)の高さを下回らないものとする。
(管理施設等)
第24条 水門および樋門には、必要に応じ、管理橋その他の適当な管理施設を設けるものとする。
2 水門は、管理用通路としての効用を兼ねるものとし、その構造は次に定めるところによる。ただし、管理用通路に代わるべき適当な通路がある場合は、この限りでない。
(1) 管理橋の幅員は、水門に接続する管理用通路の幅員を考慮した適切な値とすること。
(2) 管理橋の設計自動車荷重は、20トンとすること。ただし、管理橋の幅員が3メートル未満の場合は、この限りでない。
第6章 揚水機場および排水機場
(揚水機場および排水機場の構造の原則)
第26条 揚水機場および排水機場は、河岸および河川管理施設の構造に著しい支障を及ぼさない構造とするものとする。
2 揚水機場および排水機場のポンプ室(ポンプを据え付ける床およびその下部の室に限る。)、吸水槽および吐出水槽その他の調圧部は、鉄筋コンクリート構造又はこれに準ずる構造とするものとする。
(排水機場の吐出水槽等)
第27条 樋門を有する排水機場には、吐出水槽その他の調圧部を設けるものとする。ただし、樋門が横断する河岸又は堤防の構造に支障を及ぼすおそれがないときは、この限りでない。
2 吐出水槽その他の調圧部の上端の高さは、排水機場の樋門が横断する堤防(計画横断形が定められている場合において、計画堤防の高さが現状の堤防の高さより低く、かつ、治水上の支障がないと認められるとき、又は計画堤防の高さが現状の堤防の高さより高いときは、計画堤防)の高さ以上とするものとする。
(流下物排除施設)
第28条 揚水機場および排水機場には、土砂、竹木その他の流下物を排除するため、沈砂池、スクリーンその他の適当な流下物排除施設を設けるものとする。ただし、河川管理上の支障がないと認められるときは、この限りでない。
(樋門)
第29条 揚水機場および排水機場の樋門と樋門以外の部分とは、構造上分離するものとする。ただし、樋門が横断する河岸又は堤防の構造に支障を及ぼすおそれがないときは、この限りでない。
第7章 橋
(河川区域内に設ける橋台および橋脚の構造の原則)
第30条 河川区域内に設ける橋台および橋脚は、計画高水位以下の水位の流水の作用に対して安全な構造とするものとする。
2 河川区域内に設ける橋台および橋脚は、計画高水位以下の水位の洪水の流下を妨げず、付近の河岸および河川管理施設の構造に著しい支障を及ぼさず、ならびに橋台又は橋脚に接続する河床および高水敷の洗掘の防止について適切に配慮された構造とするものとする。
(橋台)
第31条 河岸又は川幅が50メートル以上の河川に係る堤防(計画横断形が定められている場合には、計画堤防。以下この条において同じ。)に設ける橋台は、流下断面内に設けてはならない。ただし、山間狭窄部であることその他河川の状況、地形の状況等により治水上の支障がないと認められるときは、この限りでない。
2 堤防に設ける橋台(前項の橋台に該当するものを除く。)は、堤防の表法肩より表側の部分に設けてはならない。
3 堤防に設ける橋台の表側の面は、堤防の法線に平行して設けるものとする。ただし、堤防の構造に著しい支障を及ぼさないために必要な措置を講ずるときは、この限りでない。
4 堤防に設ける橋台の底面は、堤防の地盤に定着させるものとする。
(桁下高)
第32条 橋の桁下高は、計画高水流量に応じ、計画高水位に第6条第1項に規定する値を加えた値以上で、当該地点における河川の両岸の堤防(計画横断形が定められている場合において、計画堤防の高さが現状の堤防の高さより低く、かつ、治水上の支障がないと認められるとき、又は計画堤防の高さが現状の堤防の高さより高いときは、計画堤防)の表法肩を結ぶ線の高さを下回らないものとする。
2 前項の規定による場合のほか、橋の下の河岸又は堤防を保護するため必要があるときは、河岸又は堤防をコンクリートその他これに類するもので覆うものとする。
(管理用通路の構造の保全)
第34条 橋(取付部を含む。)は、管理用通路(管理用通路を設けることが計画されている場合は、当該計画されている管理用通路)の構造を考慮して適切な構造の取付通路その他必要な施設を設けた構造とする。ただし、管理用通路に代わるべき適当な通路がある場合は、この限りでない。
(1) 高水敷に設ける橋で小規模なもの
(2) 低水路に設ける橋で可動式とする等の特別な措置を講じたもの
2 前項の規定は、橋の設置地点を含む一連区間における計画高水位の勾配、川幅その他河川の状況等により治水上の支障があると認められる区域については、適用しない。
第8章 伏せ越し
(適用の範囲)
第36条 この章の規定は、用水施設又は排水施設である伏せ越しについて適用する。
(構造の原則)
第37条 伏せ越しは、計画高水位以下の水位の流水の作用に対して安全な構造とするものとする。
2 伏せ越しは、計画高水位以下の水位の洪水の流下を妨げず、ならびに付近の河岸および河川管理施設の構造に著しい支障を及ぼさない構造とするものとする。
(構造)
第38条 堤防(計画横断形が定められている場合は、計画堤防を含む。以下この項において同じ。)を横断して設ける伏せ越しにあっては、堤防の下に設ける部分とその他の部分とは、構造上分離するものとする。ただし、堤防の地盤の地質、伏せ越しの深さ等を考慮して、堤防の構造に支障を及ぼすおそれがないときは、この限りでない。
2 第20条の規定は、伏せ越しの構造について準用する。
(ゲート等)
第39条 伏せ越しには、流水が河川外に流出することを防止するため、河川区域内の部分の両端又はこれに代わる適当な箇所に、ゲート(バルブを含む。次項において同じ。)を設けるものとする。ただし、地形の状況により必要がないと認められるときは、この限りでない。
2 伏せ越しのゲートの開閉装置は、ゲートの開閉を確実に行うことができる構造とするものとする。
3 伏せ越しには、必要に応じ、管理橋その他の適当な管理施設を設けるものとする。
(深さ)
第40条 伏せ越しは、低水路(計画横断形が定められている場合は、当該計画横断形に係る低水路を含む。以下この条において同じ。)の河床の表面から、深さ2メートル以上の部分に設けるものとする。ただし、計画高水流量が1秒間につき100立方メートル未満である区間においては、低水路の河床の表面から深さ1メートル以上の部分に設けることができる。
第9章 雑則
(適用除外)
第41条 この条例の規定は、次に掲げる河川管理施設又は許可工作物(以下「河川管理施設等」という。)については、適用しない。
(1) 治水上の機能を早急に向上させる必要がある小区間の河川における応急措置によって設けられる河川管理施設等
(2) 臨時に設けられる河川管理施設等
(3) 工事を施行するために仮に設けられる河川管理施設等
(計画高水流量等の決定又は変更があった場合の適用の特例)
第42条 河川管理施設等が、これに係る工事の着手(許可工作物にあっては、法第26条第1項の許可。以下この条において同じ。)があった後における計画高水流量、計画横断形又は計画高水位(以下この条において「計画高水流量等」という。)の決定又は変更によってこの条例の規定に適合しないこととなった場合においては、当該河川管理施設等については、当該計画高水流量等の決定又は変更がなかったものとみなして当該規定を適用する。ただし、工事の着手が当該計画高水流量等の決定又は変更の後である改築(災害復旧又は応急措置として行われるものを除く。)に係る河川管理施設等については、この限りでない。
(委任)
第43条 この条例に定めるもののほか必要な事項は、市長が別に定める。
附則
(施行期日)
1 この条例は、平成25年4月1日から施行する。